Délesteur Schneider ElectricA 230V 4 sorties : prix indicatif 205€ TTC hors pose.
Délesteur Schneider Electric
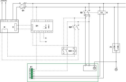
Schéma de raccordement du délesteur à la borne
Tarifs bleu EDF au 29/1/2014
Tarif bleu HP/HC EDF en 2014
Gamme 2014 de bornes résidentielles EV link Schneider 3.7kVA (16A mono), 7 kVA(32A mono) ou 11kVA (16A tri)
Gamme Schneider EV link (Résidentiel) 2014
Délesteur
Schéma de raccordement délecteur borne EV LinkProgrammation délestage borneSchneider EV link 2014
Contact :
04 22 47 00 03
contact@cfpelec.fr
 

Dossier de pré-inscription à la formation
 
Planning des prochaines formations CFPELEC
[english version]
A l'heure de l'arrivée du cordon EV SE (Cordon de Recharge Occasionnel) pour la Renault ZOE, certains utiliseurs peuvent se poser la question de la pertincence de l'installation d'une borne de recharge dédiée.
 
La nouvelle gamme EV link 2014 de Schneider prouve que le constructeur français a décidé de passer à l'offensive en proposant un produit à forte valeur ajoutée intégrant un délestage intelligent de la puissance. Au delà de  l'aspect sécuritaire évident et de la traditionnelle programmtion en heure creuse de la génération précédente, Schneider offre une nouvelle fonctionnalité très intéressante.
 
Prenons l'exemple typique d'un logement équipé d'un abonnement 45A (9kVA). La faible réserve de courant en cas de charge à 32A (7kVA) risque de faire disjoncter l'installation.
Deux solutions se proposent alors : 
- augmenter l'abonnement à 12 (+76€/an) ou 15 kVA (+107€/an), ce qui amène un coût non négligeable sur la durée de vie de la borne (15 ans).
- installer un délesteur pilotant un contacteur qui ne saura que couper "brutalement" l'alimentation de la borne, lorsque que le courant maximum de l'installation (45A dans notre cas) sera atteint.
 
La solution proposée par schneider utilise aussi un delesteur, dont une sortie sera utilisée par la borne pour abaisser le niveau de la charge. Par exemple, la NCA12130 (7kVA) peut voir son courant temporairement abaissé de 32A à 16A,10A, 6A ou 0A. La version 3kVA verra son niveau abaissé de 16A à 10A, 8A, 6A ou 0A.
La plupart du temps, l'utilisateur pourra profiter d'une charge à 7kVA, soit 40km d'autonomie regagnés par heure de charge, sans avoir nécessairement à changer d'abonnement électrique. Tant qu'à installer un délesteur, des circuits non prioritaires (ballon eau chaude par exemple) seront délestés en premier afin de favoriser la charge.
On peut avoir aussi à l'esprit que la prochaine génération de véhicules électriques aura probablement une capacité énergétique augmentée : il faudra donc augmenter la puissance de charge pour profiter des 8h creuses pour la charge.
Outre un aspect économique, ce système est vertueux écologiquement car il permet d'associer une charge performante et une puissance appelée au réseau qui reste contenue.
Programmation du niveau de délestage borne 3.7kVA (16A mono)
ou 7 kVA(32A mono)
Forte valeur ajoutée pour la nouvelle gamme de bornes
EV link Schneider Electric
CK Formation ConseilBMW i3
Points de charge 
Nissan Leaf II (2018)
INFRASTRUCTURES de RECHARGE pour Véhicules Electriques (IRVE)
Tesla 3CK Formation ConseilCK Formation Conseil
Liens
©
Contact
Références
Réalisations
Qui sommes-nous ?